Semiconductor Devices Questions and Answers - Half Wave Rectifier

1. Optoisolator is
a) A combination of LED and varactor in the same package
b) A combination of a varactor and photodiode in the same package
c) A combination of LED and a photodiode in the same package
d) A combination of photodiode and Schottky-Barrier Diode in the same package

Answer: c
Explanation: By definition, an optoisolator is a package containing both LED as well as a photodiode.

2. The diode in a half wave rectifier has a forward resistance RF. The voltage is Vmsinωt and the load resistance is RL. The DC current is given by _________
a) Vm/√2RL
b) Vm/(RF+RL
c) 2Vm/√π
d) Vm/RL

Answer: b
Explanation: For a half wave rectifier, the IDC=IAVG=Im
I= Vmsinωt/(RF+RL)=Imsinωt
Im =Vm/ RF+RL So, IDC=Im/π=Vm/(RF+RL)

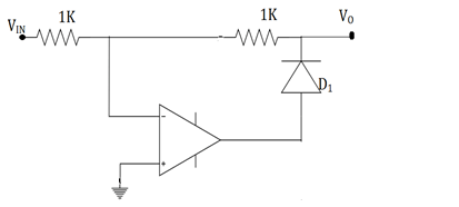
3. The below figure arrives to a conclusion that _________
243
a) for Vi > 0, V0=-(R2/R1)Vi
b) for Vi > 0, V0=0
c) Vi < 0, V0=-(R2/R1)Vi
d) Vi < 0, V0=0

Answer: b
Explanation: The given op-amp is in inverting mode and this makes the output voltage to have a phase shift of 180°. The output voltage is now negative. So, the diode 1 is reverse biased and diode 2 is forward biased. Then output is clearly zero.

4. What is the output as a function of the input voltage (for positive values) for the given figure. Assume it’s an ideal op-amp with zero forward drop (Di=0)
244
a) 0
b) -Vi
c) Vi
d) 2Vi

Answer: c
Explanation: When the input of the inverted mode op-amp is positive, the output is negative.
The diode is reverse biased. The input appears at the output.

5. In a half wave rectifier, the sine wave input is 50sin50t. If the load resistance is of 1K, then average DC power output will be?
a) 3.99V
b) 2.5V
c) 5.97V
d) 6.77V

Answer: b
Explanation: The standard form of a sine wave is Vmsinωt. BY comparing the given information with this equation, Vm =50.
Power=Vm2/RL=50*50/1000=2.5V.

6. In a half wave rectifier, the sine wave input is 200sin300t. The average value of output voltage is?
a) 57.876V
b) 67.453V
c) 63.694V
d) 76.987V

Answer: c
Explanation: Comparing with the standard equation, Vm=200V.
Average value is given by, Vavg=Vm/π.
So, 200/π=63.694.

7. Efficiency of a half wave rectifier is
a) 50%
b) 60%
c) 40.6%
d) 46%

Answer: c
Explanation: Efficiency of a rectifier is the effectiveness to convert AC to DC. For half wave it’s 40.6%. It’s given by, Vout/Vin*100.

8. If peak voltage for a half wave rectifier circuit is 5V and diode cut in voltage is 0.7, then peak inverse voltage on diode will be?
a) 5V
b) 4.9V
c) 4.3V
d) 6.7V

Answer: c
Explanation: PIV is the maximum reverse bias voltage that can be appeared across a diode in the given circuit, If the PIV rating is less than this value of breakdown of diode will occur. For a rectifier, PIV=Vm-Vd=5-0.7=4.3V.

9. Transformer utilisation factor of a half wave rectifier is _________
a) 0.234
b) 0.279
c) 0.287
d) 0.453

Answer: c
Explanation:Transformer utilisation factor is the ratio of AC power delivered to load to the DC power rating. This factor indicates effectiveness of transformer usage by rectifier. For a half wave rectifier, it’s low and equal to 0.287.

10. If the input frequency of a half wave rectifier is 100Hz, then the ripple frequency will be_________
a) 150Hz
b) 200Hz
c) 100Hz
d) 300Hz

Answer: c
Explanation: The ripple frequency of the output and input is same. This is because, one half cycle of input is passed and other half cycle is seized. So, effectively the frequency is the same.