Semiconductor Devices MCQ - Limiting and Clamping Circuits and Some Special Types of diodes

1. The diode rectifier works well enough if the supply voltage is much than greater than 0.7V. For smaller voltage (of few hundreds of millivolt) input which of the following can be used?
a) Superdiode
b) Peak rectifier
c) Precision rectifier
d) None of the mentioned

Answer: a
Explanation:For the supply voltages less than 0.7V super diodes are used

2. A simple diode rectifier has ‘ripples’ in the output wave which makes it unsuitable as a DC source. To overcome this one can use
a) A capacitor in series with a the load resistance
b) A capacitor in parallel to the load resistance
c) Both of the mentioned situations will work
d) None of the mentioned situations will work

Answer: b
Explanation: A capacitor is parallel with a resistor can only makes ripples go away. Series connection will become equal to an open circuit once the capacitor is fully charged

3. Consider a peak rectifier fed by a 60-Hz sinusoid having a peak value Vp = 100 V. Let the load resistance R = 10 kΩ. Calculate the fraction of the cycle during which the diode is conducting
a) 1.06 %
b) 2.12 %
c) 3.18%
d) 4.24%

Answer: c
Explanation: w Δt ~ √(2Vr/Vp)
Θ = √(2 X 2/100)
Θ = 0.2 rad or 3.18% of the cycle

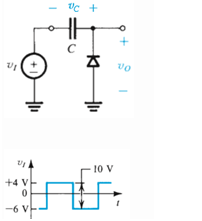
4. For the circuit and the input signal shown which of the following is true for the output voltage?
234
a) The output waveform is a square wave with lowest peak clamped to 0V
b) The output wave is a square wave with lowest peak clamped to -6V
c) The output waveform is a square wave with highest peak clamped to 4V
d) The output waveform is a straight line with the value of output voltage equal to 10V

Answer: a
Explanation: It is a clamped capacitor circuit

5. Which of the following is not true for the duty cycle of a waveform?
a) Duty cycles can be used to describe the percent time of an active signal in an electrical device
b) Duty cycle can be used to determine the percentage of the time a signal is active
c) 60% duty cycle means that the waveform is active for 40% of the total time
d) 50% duty cycle means that the waveform is non-active for 50% of the total time

Answer: c
Explanation: 60% duty time means that a signal is active for 60% of the total time.

6. The maximum and the minimum voltage across the diode D1 respectively is
236
a) 2Vp and 0V respectively
b) 0V and -2Vp respectively
c) Vp and -Vp respectively
d) 2Vp and Vp respectively

Answer: b
Explanation:It is a voltage doubler circuit

7. Limiting and clamping circuits are employed in
a) FM transmitters
b) Television receivers and transmitter
c) Production of various signal waveforms such as trapezoidal, square or rectangular waves
d) All of the mentioned

Answer: d
Explanation: All of the given are uses of limiting and clamping circuits

8. Which of the following is not true for a Schottky-Barrier Diode (SBD)?
a) It is formed by bringing metal into contact with a moderately doped n-type semiconductor material.
b) In the SBD, current is conducted by mainly by minority carriers.
c) The forward voltage drop of a conducting SBD is lower than that of a pn-junction diode.
d) SBD are used in the design of a special form of bipolar-transistor logic circuits

Answer: d
Explanation: Current is conducted largely by electrons which are majority current carriers

9. Photodiodes are part of
a) Optoelectronics
b) High Intensity Discharge
c) Low pressure Discharge
d) None of the mentioned

Answer: a
Explanation: Optoelectronics are also called photodiodes

10. Which of the following is true for LEDs
a) The light emitted by a LED is inversely proportional to the current flowing through the diode
b) LED operate in a manner opposite to the working of the optoelectronics or photodiodes
c) LED cannot be used to generate coherent source of light
d) None of the mentioned

Answer: b
Explanation: The working of the optoelectronics is opposite to that of the LEDs.